Sestu

Ristrutturazione di un locale artigianale

Tipo di edificio: Residenziale unifamiliare
Tipologia intervento: Ristrutturazione ed efficientamento energetico
Numero unità abitative: 1
Superficie netta calpestabile complessiva: 130 m2
Altezza media locali: 3 m
Livello abitazione: Medio
Dispersioni medie: 70 W/m2
Miglioramento prestazione energetica dell’edificio:
Classificazione energetica dell’edificio: B
Zona climatica: C

IL CONTESTO ABITATIVO

Sestu è un comune della città metropolitana di Cagliari, situato geograficamente in posizione strategia e al centro di un forte sviluppo economico-commerciale che sta vedendo una notevole evoluzione demografica. Il fabbricato in oggetto era prima un piccolo locale artigianale che è stato ristrutturato completamente e trasformato in un’abitazione civile.

L'IDEA PROGETTUALE

La sfida principale del progetto in questione è stata quella di dover trasformare radicalmente la precedente destinazione d’uso riadattando completamente spazi interni/esterni e volumetrie interne alle esigenze di una abitazione civile. Precedentemente non dotato di impianti termici, è stato quindi come avere un foglio bianco su cui iniziare da 0 tutta la realizzazione impiantistica.

Le pareti laterali sono state coibentate mediante cappotto termico, mentre sulla principale è stata sfruttata la grande apertura della precedente serranda per creare una parete vetrata che donasse grande luminosità a tutta la zona giorno.

Nella proprietà non si voleva e non si poteva installare un serbatoio GPL (la zona non è metanizzata) e quindi la scelta è stata quella di rendere la nuova abitazione da subito “full electric” con l’installazione di una pompa di calore aria/acqua per il riscaldamento e raffrescamento e, separata, la produzione di acqua calda sanitaria affidata ad una pompa di calore per acqua sanitaria.

L’emissione del calore invernale è stata affidata ad un impianto radiante gestito a zone mentre il raffrescamento estivo è realizzato mediante fancoils che possono comunque operare in riscaldamento anche durante il periodo autunnale/primaverile quando è necessario solamente rendere meno umidi e più alti di qualche grado gli ambienti.

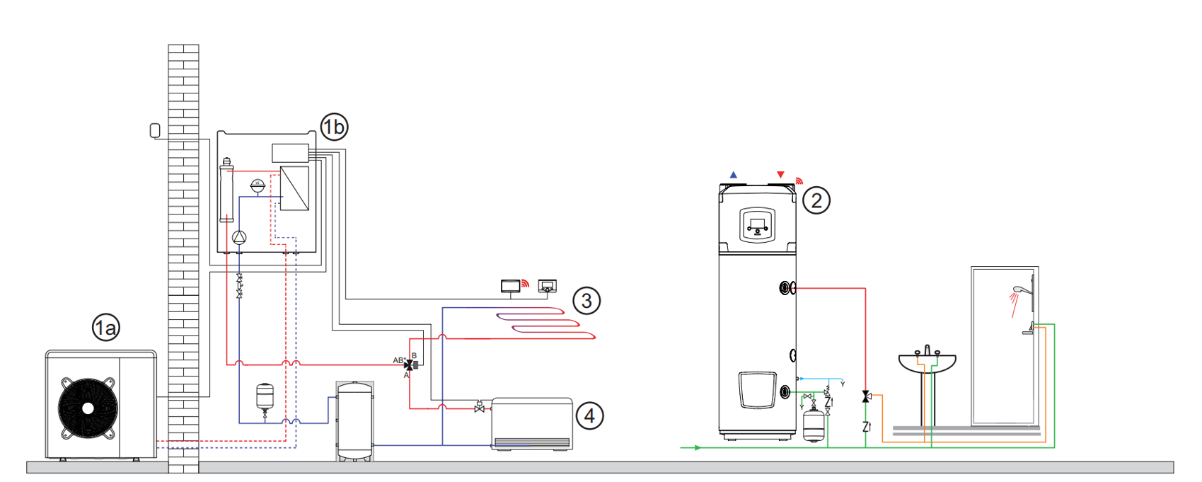
LO SCHEMA DI IMPIANTO

Schema
  • 1 - Nimbus S Plus: a - unità esterna b - unità interna c - caldaia d - bollitore sanitario
  • 2 - Nuos Plus WiFi
  • 3 - Zona riscaldamento
  • 4 - Zona raffrescamento

LA REALIZZAZIONE DEL PROGETTO

I prodotti che si sono rivelati più idonei a soddisfare le premesse impiantistiche sono stati la pompa di calore aria/acqua split NIMBUS PLUS 70 S per il riscaldamento/raffrescamento e la pompa di calore NUOS PLUS 200 WI-FI per la produzione di acqua calda sanitaria.

Entrambi i prodotti sono connessi in rete sia per la regolazione a distanza da parte del cliente privato tramite l’APP Ariston Net, sia per la teleassistenza da parte del centro assistenza.

LE INTERVISTE AI PROFESSIONISTI

Allo Studio di Progettazione Losi Engineering - Analisi e progettazione

Perchè ha scelto Ariston?

L’impianto è a pochi metri dai nostri uffici aziendali, non potevo commettere errori! Scelgo regolarmente i prodotti del Gruppo Ariston perché ricevo un supporto ed una garanzia globale che ben si abbina alla cura che ripongo nei lavori che eseguo. Anche in questo caso da Ariston ho ricevuto un ottimo supporto tecnico e commerciale di pre-vendita che mi ha accompagnato fino ai lavori conclusivi passando per i sopralluoghi in fase di installazione, la redazione dello schema idraulico ed elettrico. È un supporto a 360° di cui non posso più fare a meno.

Posso così essere sicuro di dare ai miei clienti impianti completi, collaudati, di produzione italiana e di alta qualità costruttiva.

Per maggiore tranquillità, inoltre, si aggiunge il supporto dei centri di assistenza di zona che gestiscono l’impianto anche da remoto grazie allaa telegestione MY ARISTON fornita di serie con il sistema. 

PROGETTI CORRELATI

Dalle abitazioni di nuova costruzione fino alle ristrutturazioni edilizie, le soluzioni Ariston rispettano sempre gli standard più elevati in termini di qualità, innovazione ed efficienza energetica. Scopri altri progetti e altre testimonianze.

I SERVIZI DI SUPPORTO

In tutte le fasi della realizzazione di un progetto, Ariston è sempre al fianco dei sui professionsiti con un team di specialsiti costantemente a disposizione er fornire un supporo trasversale su tutto il territorio nazionale.

PREVENDITA

Una squadra di tecnici e ingegneri che offre supporto sul territorio nella redazione dei capitolati e nella progettazione di impianti complessi.

CENTRO CONSULENZA TECNICA

Il giusto interlocutore con cui interfacciarsi per ricevere consulenze specialistiche e risposte tempestive sulle specifiche tecniche di impianti complessi.

INNORM

Un'equipe di consulenti sempre a disposizione per autare e comprendere le evoluzioni tecnico-normative in materia di leggi, detrazionie regolamenti del settore termosanitario.

BUDDY

Buddy è un centro di Assistenza Tecnica Ariston altamente formato sui sistemi a pompa di calore: segue ogni progetto direttamente in cantiere fornendo assistenza tecnica qualificata.